2021年11月に入手した、430MHz→2400MHzのトランスバータ「Transverter 2300」。
送信機系統図の作成は楽しかったのですが、「総務省 電波利用 電子申請・届出システム Lite」の入力が大変だった(汗)
過去の申請内容を引っ張り出して、それに情報を加える必要があったからね・・・。
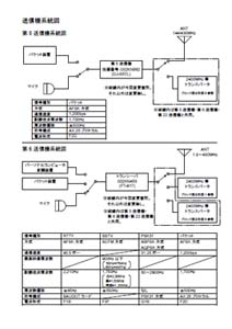
送信機系統図。今回は、3台の無線機にトランスバータを接続するようにしました。
送信機系統図の別図。トランスバータのブロック図です。
スムーズに審査が通ると良いのですが。
送信機系統図。今回は、3台の無線機にトランスバータを接続するようにしました。
送信機系統図の別図。トランスバータのブロック図です。
スムーズに審査が通ると良いのですが。
1回くらい質問が来るのは覚悟しないとかな・・・。
PR
この記事にコメントする
カレンダー
| 12 | 2026/01 | 02 |
| S | M | T | W | T | F | S |
|---|---|---|---|---|---|---|
| 1 | 2 | 3 | ||||
| 4 | 5 | 6 | 7 | 8 | 9 | 10 |
| 11 | 12 | 13 | 14 | 15 | 16 | 17 |
| 18 | 19 | 20 | 21 | 22 | 23 | 24 |
| 25 | 26 | 27 | 28 | 29 | 30 | 31 |
カテゴリー
最新CM
[03/24 トヨムラ・太田店]
[11/23 菅原]
[08/16 無線小僧]
[08/12 無線小僧]
[05/23 NONAME]
最新記事
(12/22)
(12/20)
(12/14)
(10/23)
(10/11)
最新TB
プロフィール
HN:
JL2FKQ/1
性別:
男性
自己紹介:
埼玉県日高市(JCC1342)在住
常置場所・出身地は静岡県富士宮市(JCC1807)
1987年6月30日開局
一応、第一級アマチュア無線技士・第二級陸上無線技術士です
GL:PM95QV
A1 CLUB#1048
JARL QRP CLUB#864
FISTS#15065
常置場所・出身地は静岡県富士宮市(JCC1807)
1987年6月30日開局
一応、第一級アマチュア無線技士・第二級陸上無線技術士です
GL:PM95QV
A1 CLUB#1048
JARL QRP CLUB#864
FISTS#15065
ブログ内検索
アクセス解析
