6月11日に入手した、2400MHz/5600MHz/10.1GHz/24GHzのトランスバータ。
「総務省 電波利用 電子申請・届出システム Lite」での申請は簡単だったのですが、申請に使う送信機系統図の作成が大変だった(汗)
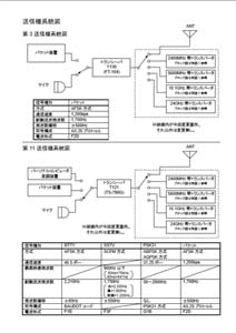
送信機系統図。今回は、2台の無線機にトランスバータを接続するようにしてみました。
送信機系統図の別図。各トランスバータの系統図です。
スムーズに審査が通ると良いのですが。
送信機系統図。今回は、2台の無線機にトランスバータを接続するようにしてみました。
送信機系統図の別図。各トランスバータの系統図です。
スムーズに審査が通ると良いのですが。
1回くらい質問が来るのは覚悟しないとかな・・・。
PR
各社のアンテナチューナ紹介と、技術的な原理説明、実際の使い方などの説明をしています。
しかし、今月号は、特集よりも、「創刊70周年記念」の内容が多いですね。
特に、付録の「CQ ham radio 70年のあゆみ」は面白かった。
開局した頃の、1986年~1987年頃の記事を見ると、「おお、こんな感じで書いてあったよね~」と思いましたよ。
あと、QEX Japanも購入しました。
購入したQEX Japan No.20。1,944円なり。
特集は、「IC-7300を徹底検証」です。
あと、QEX Japanも購入しました。
購入したQEX Japan No.20。1,944円なり。
特集は、「IC-7300を徹底検証」です。
HF/50MHzのダイレクトサンプリング機であるIC-7300の記事というので、期待して購入したのです。
けど、意外と使い勝手に関する記事が多くて、回路構成とか、FPGA/DSPの内部構造などに触れた記事が少なかったのが残念。
実際の受信感度やダイナミックレンジ、IMD性能などが見たかったな~。
内部写真もあると良かったよ。
けど、保存版特集「アマチュア無線機のメインテナンスⅡ」に、私の所有機FT-690mk2があったのが良かった。
けど、保存版特集「アマチュア無線機のメインテナンスⅡ」に、私の所有機FT-690mk2があったのが良かった。
少しでも情報があれば、調整することができるからね~。
ホントは、日本語のサービスマニュアルが手に入れば一番なんだろうけど・・・。
JARDが9月1日から開始する、「スプリアス確認保証」の詳細が発表になりましたね(hamlife.jpの記事はここ)
基本料金が2,500円(1台目の料金を含む)で、2台目以降は装置1台につき1,000円追加だそうで。
基本料金が2,500円(1台目の料金を含む)で、2台目以降は装置1台につき1,000円追加だそうで。
保証認定と違い、無線機の台数が増えると金額がアップしていくのね(汗)
私の場合、第14送信機まであり、その中で新スプリアス機器は1台しか無いので、残りの13台分のスプリアス確認保証を受ける必要がありそうです。
ん~、14,500円かぁ・・・なかなかの費用ですね(汗)
しかし、自作機などの系統図で免許を受けている機器も、「スプリアス確認保証」を受ける必要があるの?
しかし、自作機などの系統図で免許を受けている機器も、「スプリアス確認保証」を受ける必要があるの?
スペアナ画像があれば、JARDで「スプリアス確認保証」は行ってくれるようですが・・・。
そもそもが、書類でチェック記号を入れるだけで済んでいるスプリアスの確認が、新スプリアスに対応するためにスペアナ画像を使った「スプリアス確認保証」が必要って、なんか変ですね。
手続きとしては、そうなってしまうのも理解できるのですが・・・。
カレンダー
| 12 | 2026/01 | 02 |
| S | M | T | W | T | F | S |
|---|---|---|---|---|---|---|
| 1 | 2 | 3 | ||||
| 4 | 5 | 6 | 7 | 8 | 9 | 10 |
| 12 | 13 | 14 | 15 | 16 | 17 | |
| 19 | 20 | 21 | 22 | 23 | 24 | |
| 25 | 26 | 27 | 28 | 29 | 30 | 31 |
カテゴリー
最新CM
[03/24 トヨムラ・太田店]
[11/23 菅原]
[08/16 無線小僧]
[08/12 無線小僧]
[05/23 NONAME]
最新記事
(01/18)
(01/11)
(12/22)
(12/20)
(12/14)
最新TB
プロフィール
HN:
JL2FKQ/1
性別:
男性
自己紹介:
埼玉県日高市(JCC1342)在住
常置場所・出身地は静岡県富士宮市(JCC1807)
1987年6月30日開局
一応、第一級アマチュア無線技士・第二級陸上無線技術士です
GL:PM95QV
A1 CLUB#1048
JARL QRP CLUB#864
FISTS#15065
常置場所・出身地は静岡県富士宮市(JCC1807)
1987年6月30日開局
一応、第一級アマチュア無線技士・第二級陸上無線技術士です
GL:PM95QV
A1 CLUB#1048
JARL QRP CLUB#864
FISTS#15065
ブログ内検索
アクセス解析
