CQ誌(CQ ham radio)を購入しました。
購入した、CQ誌2009年12月号。930円なり。
今月の特集は、「ハムのオペレーションQ&A」です。
色々なモードや、運用方法について、Q&A形式で説明しています。
あと、この時期おなじみのカレンダーが、今年も付録です。
今年の図柄は、モールス用のキー。
といっても、国内メーカはGHDキーだけなのが、ちょっと不満。
あと、吊すための穴があると良かったな(笑)
ちなみに、表紙は横浜・石川町にあるハマーズPlusだそうで。
衛星関係でおなじみのハマーズとは別会社になるのかな?
7月に参加した、6m AND DOWNコンテストの結果が発表になりました(ここを参照)
結果は、「電信部門シングルオペ50MHzバンド」の関東エリア67位です!
思っていたより上位に入賞しました(参加局は75局)
当日の手応えからすると、最下位かな・・・と思っていたので。
来年は、もう少し順位を上げたいですね。
それとも、参加バンドを変更しようかな?
ケンウッドの無線機TS-680VをPCコントロールするべく、先月から、IF-10C互換基板を作成しています。
で、10月24日にプリント基板が到着し、先週末、組み立て・動作確認を行いました。
予定通り、2式組み立てました。
が、しかし、仮組のデバッグ時には動いていたものが、回路図通りにハーネスを作ると動作しない。
1日中、うんうん悩んでいたのですが、回路図とアートワークで配線が違うことが判明(汗)
ICの出力から、コネクタ部への配線が違っていたので、回路図を修正し、ハーネスでミスを吸収してしまいました。
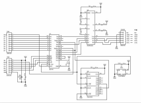
その辺のミスを反映した回路がこちら。
ここをクリックするとPDFファイルで開きます。
これで、プリント基板と回路図で整合がとれました。
(10月4日に公開した回路図も修正しています)
あと、ハーネス図も公開します。
ここをクリックするとPDFファイルで開きます。
途中でDINコネクタの6Pinが入っているのは、TS-680Vに取り付けるのにちょうど良いのが、DINコネクタだから。
7Pinと8Pinはすでに使われているので、誤挿入をなくすように、6Pinを使用しました(オリジナルのIF-10C+IF-232CもDINコネクタの6Pinを使っているようだし)
下のACC1コネクタが、今回追加したDINコネクタ。
デバッグも完了し、動作が確認できたので、TS-680V本体に組み込みます。
こんな感じで組み込みました。
今回製作した部分を拡大。
プリント基板を取り付けたネジが気に入らないので、近いうちに交換予定です(笑)
それ以外は、なかなか良い感じにできあがりましたよ。
底面カバーを取り付け後、TS-680VをPCのRS-232C端子と接続し、最終的な動作確認を行います。
まずは、ターミナルソフトで確認。
ターミナルソフトであるTera Term Proを立ち上げ、4800bps/データビット8bit/パリティなし/ストップビット2bitに設定し、TS-680Vの電源をON。
おもむろにダイヤルを回すと、おおっ!データがきましたよ。
こんな感じでデータが送られます。
最初のIFxxxxxが周波数で、+04300がモードを示しているようです。
ちなみに、データはリアルタイムで送られるわけではなく、ダイヤルを回し終えて少し経つと、その周波数のデータが送られます。
で、次に、この基板を製作するきっかけとなった、コンテストログソフトCTESTWINで動作確認します。
CTESTWINで動作確認中。
CTESTWINで便利なのが、受信した局・交信した局の周波数を元に、リストを表示してくれるところ(上画像の左側のウィンドウ)
コンテスト中って、呼びに回っていると、「あれ?この局とは交信したよな?」と思うことが多々あるのです。
特にCWだと、コールサインを聞き終えるまで時間がかかる。
そんなとき、この機能があると便利です。
クリック一つで、その周波数に移動できるし。
あとは、無線機の周波数・モードをCTESTWINが自動で設定してくれるところ。
マルチバンドで参加していると、ログソフトの周波数切り替えを忘れちゃうんだ(笑)
PCと無線機をつなぐと、そんなミスもなくなりそうです。
というわけで、無事、動作が確認できました。
久しぶりに「作って良かった」と思いましたよ。
こんな便利な機能があるなら、もっと早く手を出せば良かった。
ハムフェアでUSBIF4CWを購入したことだし、PCメインでのコンテスト参加も可能になりました(CTESTWINはUSBIF4CWもサポートしている)
コンテスト参加が楽しみになりましたよ・・・。
そうそう、今回、プリント基板を4枚製作したので、まだ2枚余っています。
余っているプリント基板。
こんなプリント基板で良ければ、必要な人はいますか?
コネクタ・ハウジング(コンタクトなし)付きで、実費でお譲りします(送料別で2,000円前後かな?)
コメント欄で連絡ください。
→終了しました。ありがとうございました(2009.12.15)
11月になったので、第一級陸上無線技術士(一陸技)の試験申請をしました。
今回も、電子申請で行いました。手数料も支払い済み。
前回(7月期)は、法規のみ科目合格だったので、今回こそは、工学の合格を狙います。
試験は、来年1月19日・20日です。
さあ、勉強するぞ~。
| 12 | 2026/01 | 02 |
| S | M | T | W | T | F | S |
|---|---|---|---|---|---|---|
| 1 | 2 | 3 | ||||
| 4 | 5 | 6 | 7 | 8 | 9 | 10 |
| 12 | 13 | 14 | 15 | 16 | 17 | |
| 19 | 20 | 21 | 22 | 23 | 24 | |
| 25 | 26 | 27 | 28 | 29 | 30 | 31 |
常置場所・出身地は静岡県富士宮市(JCC1807)
1987年6月30日開局
一応、第一級アマチュア無線技士・第二級陸上無線技術士です
GL:PM95QV
A1 CLUB#1048
JARL QRP CLUB#864
FISTS#15065
