今回の台風は、風がすごかったですね。
私の所でも、被害が出てしまいました(汗)
今朝、実家の父からメールが。
「屋根のワイヤアンテナの片方が外れた!」という内容。
以前設置した、第一電波工業BB6Wの片方が、落っこちてしまったようです。
重さからいって、給電部の方かな?
ロープで結んでいるだけだからね。
給電部はこんな感じ。
緩んだか、切れたか・・・。
アンテナが、他の物を壊してはいないようなので、その点は安心しました。
次回帰省したときに、直さないと。
おととい、ブルガリアのOLIMEXにFAXが送れないと書きました。
その後、何度も試したのですが、やはり、送ることができません・・・。
OLIMEXにメールで確認したら、「the fax should work」という回答。
試しに、携帯電話で、そのFAX番号に電話をすると、ちゃんとつながります。
どうにも解決しないので、コンビニのローソンに行って、FAXを送ってきました。
1枚200円なり。
まあ、コンビニは家の向かいなので、行くこと自体は、何も苦にならないのですが。
しかし、なぜ、家のシステムだと、OLIMEXにFAXが送れないんでしょうね?
FAXは、ブラザーの複合機MFC-850CDN。
電話回線は、ひかり電話です。
とりあえず、何か電話機を持ってきて、確認しようかな。
それでもダメなら、ひかり電話の問題なの?
調べた限り、そんな情報は見あたらないのだけど・・・。
昨日、ブルガリアのOLIMEXに、プリント基板の製造を依頼しました(昨日のエントリー参照)
そうしたら、今日、PO(注文書)のフォームが届きました。
こんな感じ。
ん~、噂には聞いていたのですが、仕事が早い(笑)
特にルール違反もなかったようで、追加費用も発生していませんでした。
で、このフォームに必要事項を記入して、FAXで送るのですが、そのFAXが送れない・・・。
「FAXが無い」とか、「国際電話ができない」とか、そういう問題ではなく、相手が出ないのです(汗)
呼び出し音は鳴るんだけどなぁ・・・。
送信している時間(日本時間の0時30分過ぎ、現地時間の17時30分過ぎ)が悪いのかな・・・?
明日、再度挑戦しますかね。
2009年10月号のCQ誌(CQ ham radio)に、「旧型KENWOODリグ用PC接続インターフェース基板の製作とCTESTWIN」という記事がありました(9月19日のエントリーを参照)
内容は、ケンウッドの無線機TS-680用に、PC接続用のインタフェースを作るという物です。
当時、純正オプションでIF-10Cという物があったのですが、それと同等の物を作るというわけです。
その内容にかなり興味を持ったので、この基板を作ってみることにしました。
私の所では、TS-680Vを2台所有しているので、今回、2台分の基板を作ることにします。
しかし、2枚もラッピング線を這わすのは面倒・・・(汗)
それと、信頼度も上げたいので、プリント基板を起こすことにしました。
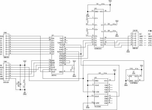
まず、回路図CADで回路図を書きます。
ここをクリックすると、回路図のPDFファイルが開きます。
CQ誌に掲載されている回路を参考にしました(ありがとうございます)
回路には、少しアレンジを加えてあります。
で、回路図からネットリストを出して、そこからアートワークをする予定だったのですが、インストールしてあるアートワークCAD、K2CADの設定が面倒(汗)
ネットリストを使うほどの回路でもなかったので、水魚堂さんの「MBE(Minimal Board Editor)」を使ってみました。
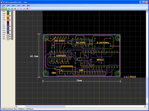
作業中の画面。
いや~、これは便利です。
細かい設定が必要ないので、手書きのアートワークの感覚で作業ができます。
DRC(Design Rule Check)機能もあるので、パターンのクリアランスも確認できますしね。
これで、ガーバーデータが出力できるのだから、すごいです。
部品間の接続が合っているかどうかは、自分で確認する必要はありますが。
できあがったアートワークはこんな感じ。
で、アートワークが完成したので、プリント基板を製作してくれる、ブルガリアのOLIMEXという所に発注しました。
そう、本格的に基板を作ります(笑)
今回は、DSSというサイズで、Airmail発送をお願いしたので、EUR30+EUR8.5の、計EUR38.5(約5,000円)となる予定です。
すごいよなぁ・・・プリント基板が、イニシャル込みで、この金額で作れるのですよ!
(通常、イニシャルが数万~数十万かかり、それに加え基板代が必要だったりするのです)
DSSというサイズだと、今回の基板は4枚作成できる予定なので、基板1枚1,250円か・・・。
感光基板を買ってきて、自分でエッチング+ドリル穴あけより安いかも。
これは、やみつきになりそう(笑)
2週間ほどで、できあがる予定です。
楽しみ楽しみ・・・。
それまでに、部品をそろえないと。
そうそう、プリント基板がこのサイズなのは、TS-680Vに実装する場所がこんな感じだからです。
基板を固定するのに、セルフタッピングねじが必要なのよね。
これも買ってこないと。
| 12 | 2026/01 | 02 |
| S | M | T | W | T | F | S |
|---|---|---|---|---|---|---|
| 1 | 2 | 3 | ||||
| 4 | 5 | 6 | 7 | 8 | 9 | 10 |
| 12 | 13 | 14 | 15 | 16 | 17 | |
| 19 | 20 | 21 | 22 | 23 | 24 | |
| 25 | 26 | 27 | 28 | 29 | 30 | 31 |
常置場所・出身地は静岡県富士宮市(JCC1807)
1987年6月30日開局
一応、第一級アマチュア無線技士・第二級陸上無線技術士です
GL:PM95QV
A1 CLUB#1048
JARL QRP CLUB#864
FISTS#15065
